化工信息化-所有化工业
2013-06-20 16:22:00 / 人气 / 评论 0
化工大体上分为基础化工和精细化工。基础化工的特点为连续大规模生产、大进大出;生产计划根据生产能力和大概市场需求预测;原料成本比例高;大宗原料和产品过磅或流量计计量;设备密集型,除正常大修外不能停车;DCS自动化控制;产品大批量、品种少,一般几种到十几种;产品形态为固体袋装和液体罐装和气体,区分等级;成本核算采用分类法+分步法。而精细化工的特点为生产计划已销定产和需求预测;产品小批量、多品种(几十至几百种);产品形态为固体袋装或液体瓶装、桶装,区分产品等级;存在多计量单位销售;高性能化决定产品质量控制严格;大多数企业配方严格保密;原料产品批次需要记录跟踪;成本核算采用品种法或品种法+分步法。用友化工行业解决方案包含了基础化工和精细化工管理。

- 以大宗原燃料、综合物资、销售与发运的内部物流管理体系
- 以管理和过程控制结合的管控一体化生产制造体系
- 以预防为主的设备管理体系
- 以成本控制和现金流管理的财务业务一体化和全面预算管理体系
- 以人力资本增值为中心的人力资源管理体系
- 以知识共享为中心的办公自动化体系
- 以商业分析为中心决策支持体系
- 内部物流管理体系
采购到付款流程管理:大宗原燃料集中采购、实时监控综合物资计划与执行、全程跟踪合同履行情况、供应商评估与管理。销售到收款流程管理:快速价格联动;销售与发运一体化; 信用额度控制;多种销售方式管理。

- 生产制造执行体系
配方保密、严谨的生产与物料需求计划管理、生产排产与执行、DCS与ERP对接、能耗计量管理、生产统计自动生成与透明化管理、严谨的班组考核、实时质量追溯、精细成本核算。

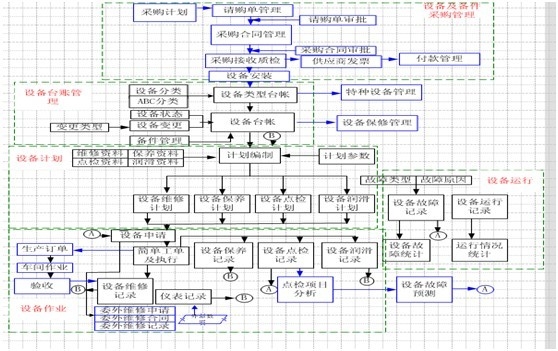
- 设备管理体系
建立装置作业体系、建立故障作业体系、建立维修作业体系、建立周期预警体系、建立安全作业体系。

- 人力资源管理体系
根据企业发展战略的要求,有计划地对人力资源进行合理配置,通过对企业中员工的招聘、培训、使用、考核、激励、调整等一系列过程,调动员工的积极性,发挥员工的潜能,为企业创造价值,确保企业战略目标的实现。是企业的一系列人力资源政策以及相应的管理活动。这些活动主要包括企业人力资源战略的制定,员工的招募与选拔,培训与开发,绩效管理,薪酬管理,员工流动管理,员工关系管理,员工安全与健康管理等。即:企业运用现代管理方法,对人力资源的获取(选人)、开发(育人)、保持(留人)和利用(用人)等方面所进行的计划、组织、指挥、控制和协调等一系列活动,最终达到实现企业发展目标的一种管理行为。

- 财务业务一体化体系
实现财务业务一体化,各个业务系统的数据可以方便地传递到财务系统中,一方面可以减少数据的重复录入,提高财务核算的工作效率;另一方面可以减少人为因素的干扰,保证财务数据准确地反映业务运行状况,并对业务活动进行实时地控制。

- 通过提高市场反应速度,提高客户满意度,增加销售利润率
- 控制成本,提高生产效率和产能设备利用率,扣除产品销售价格因素,成本降低2%~5%
- 通过对安全库存、库存分析、订单管理、经济批量、采购周期、采购成本、供应商管理等控制手段,降低库存占用5%~10%
- 通过加强订单管理、供应评价、交易管理、货计量检验入库控制,提高订单准确率,降低采购内耗,外购原料及物料成本降低5%~10%
上海普利特把“管理领先”作为公司六大发展战略之一,并借助U8ERP系统的实施规范了业务流程,销售合同及付款申请实现了工作流审批,做到审批有据可依,降低了企业经营风险;根据市场原材料价格波动,运用售前模拟报价和精细化成本核算及时调整产品价格保证利润;通过MRP运算,按需采购,缩短了采购提前期,大大降低了库存资金占用;通过系统实现了配方保密,保护了公司技术核心竞争力;同时决策支持系统的应用,使公司中高层做到了精细化管理、科学决策,从而使公司在激烈的市场竞争环境中立于不败之地,依然保持较快的发展速度。
- 成本模拟、准确报价
普利特公司现有接单生产,按客户需求订制产品,因此产品规格达到8000多种,而且原材料价格波动较快,如何快速准确进行成本模拟及报价响应市场成为一个难题。依据售前分析系统,随时读取原料采购订单价格和录入最新市场报价对各产品销售价格与成本价格进行毛利率分析,并判断是否需要进行产品价格调整,也可以依客户要求在一段时间内进行产品价格重新核定,成本模拟及报价快速准确,做到客户满意的同时保证订单合理的利润,为公司带来很好的经济效益。
- 接单生产、按需采购
普利特每天接到销售订单100张左右,而且交货期较短,所以如何在保证正常生产用料的同时而又不积压太多的原料库存是个难题,没上U8系统前,由于很难及时得到准确的库存、生产订单排程、采购订单到货情况等信息,物料需求计划手工计算工作量非常大,而且不准确,更多的凭经验备大量的安全库存来保证生产的正常进行,造成一定的库存资金占用。用友U8系统上线后,原料库存现存量及采购订货量统计准确及时,通过系统的MRP计算可以快速准确的得出物料需求(什么时间采购什么物料),公司原料保有库存量由700-800吨降至300-400吨左右,减少了库存资金占用,为企业带来真正的效益。
- 技术领先、配方保密
产品配方(BOM)配方通过一系列权限设置,结合公司配方保密的规章制度,使公司核心知识产权技术得到有效保护。通过严密的产品配方变更管理,数出一门,保证了企业核心数据的完整性,为生产计划、备料、采购、库存一系列作业提供准确依据,保证企业生产的有序进行。
- 决策支持、心中有数
通过商业智能BI系统,公司中高层人员可以更直观的依据ERP系统的信息进行科学决策。每个企业的管理者都应该使用商业智能。普利特张总在谈起企业管理理论与实践话题时,建言中国的企业管理者都应该实施商业智能系统,有了这个系统工具可以指导管理的经营,抛弃传统的经验管理,以数字说话。现在普利特管理者每天一早,第一件事就是查看一下个人的管理门户(U8商业智能管理者门户)查看企业运营是否异常,通过主题分析监控、分析企业运营。现在的普利特真正实现了从数据里发现企业的盈利之源,帮助管理者真正实现了科学管理决策。
- 销售收入最大的客户不一定是企业利润贡献最大的客户
普利特有500多家以上的大大小小的客户,如何更好的提高客户服务,如何挖掘企业的最有价值客户,某一个客户一年销售收入贡献近2000万,而真实的利润贡献不到28万,利润率只有1.5%。同样一个客户一年销售收入贡献不到600万,而一年的利润贡献超过100多万,利润贡献率高达18.87%!通过这样一张简单的多维度的分析,揭示出销售收入最大的客户不一定是企业利润贡献最大的客户!而这一切在传统的ERP系统里是无法实现的!







